Spain - EUR
Italy - EUR
France - EUR
Finland - EU2
Poland - PLN
Denmark - DKK
Germany - EURAustria - EUR
Belgium - EUR
Bulgaria - EUR
Cyprus - EUR
Czech Republic - EUR
Estonia - EUR
Greece - EUR
Hungary - EUR
UK - GBP
Ireland - EUR
Latvia - EUR
Lithuania - EUR
Luxembourg - EUR
Malta - EUR
Netherlands - EUR
Norway - NOK
Portugal - EUR
Romania - EUR
- Rest of World - EUR
Slovakia - EUR
Slovenia - EUR
Switzerland - EUR
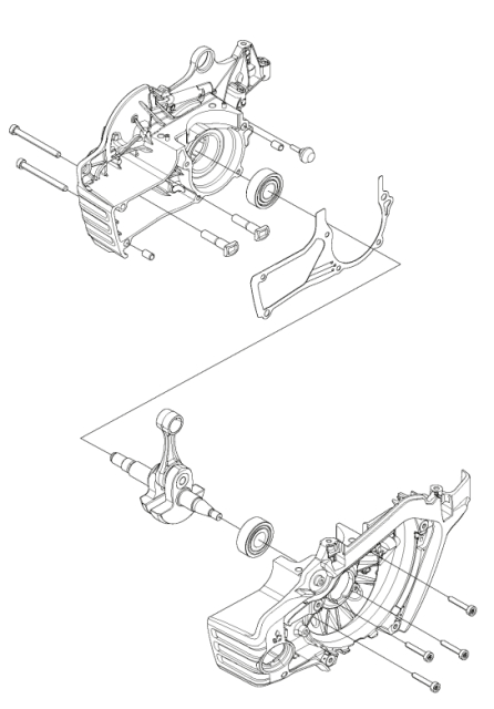
Varaosat Husqvarna 592XP/G
Hanki sopivat varaosat Husqvarna 592XP -moottorisahallesi virallisen varaosakatalogin avulla!
Jos etsit sopivia varaosia Husqvarna 592XP -moottorisahallesi, Husqvarnan virallinen varaosakatalogi on paras lähde sinulle. Interaktiivinen katalogi sisältää kattavan luettelon kaikista Husqvarna 592XP -moottorisahan varaosista, mikä auttaa sinua löytämään tarvitsemasi varaosan nopeasti ja helposti.
Miksi käyttää Husqvarnan virallista varaosakatalogia?
- Kattava lista kaikista varaosista Husqvarna 592XP -moottorisahalle
- Nopea ja helppo haku tarvittaville osille
- Interaktiivinen esitys varaosista paremman visualisoinnin vuoksi
- Yhteensopivuus varmistettu Husqvarna 592XP -moottorisahan kanssa
Näin käytät Husqvarnan varaosakatalogia:
- Avaa Husqvarnan varaosakatalogi verkkosivustollamme.
- Valitse Husqvarna 592XP -moottorisahasi saatavilla olevien mallien luettelosta.
- Etsi tarvitsemasi varaosa tai navigoi kategorioiden avulla löytääksesi haluamasi osan.
- Valitse tarvittava osa ja lisää se ostoskoriin.
- Tilaa osa ja vastaanota se nopeasti ja turvallisesti.
Luota Husqvarnan alkuperäisiin varaosiin saadaksesi moottorisahaltasi parhaan mahdollisen suorituskyvyn!
Käyttämällä Husqvarnan alkuperäisiä varaosia voit olla varma, että Husqvarna 592XP -moottorisahasi saavuttaa parhaan mahdollisen suorituskyvyn. Varaosamme vastaavat korkeimpia laatustandardeja ja on suunniteltu erityisesti moottorisahaasi varten. Luota Husqvarnan alkuperäisiin varaosiin ja varmista moottorisahasi paras mahdollinen suorituskyky!

Spain - EUR
Italy - EUR
France - EUR
Finland - EU2
Poland - PLN
Denmark - DKK
Germany - EUR