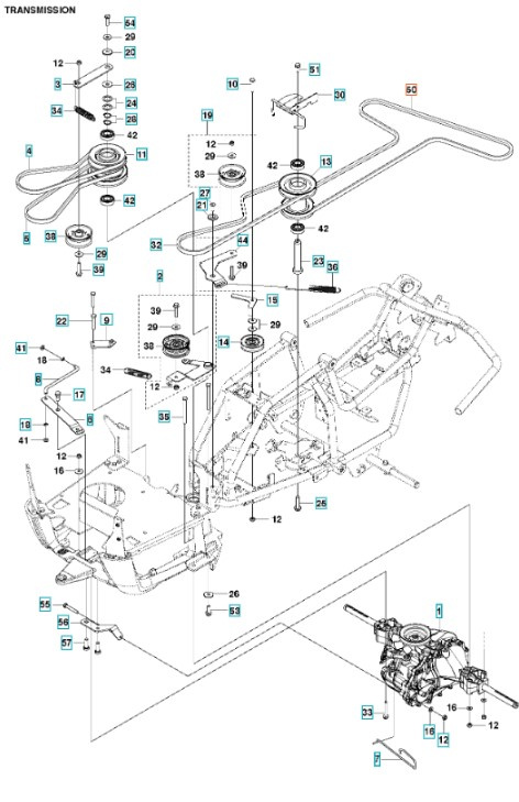
Paketissa on kaikki hihnat Husqvarna Rider 112C -traktorileikkuriin - hihnat sopivat vuosimalleihin 2014–2020. Yhteensä hihnoja on neljä kappaletta.
Paketin voimassaolo kattaa vain vuosimallit 2014–2020. Voit myös varmistaa, että tämä paketti sopii tarkistamalla tuotenumero, joka on 9671784-01.
Seuraavat voimansiirtohihnat sisältyvät pakettiin:
- 5895328-01 - Numero 32 kuvassa, asennetaan moottorin & voimansiirtokotelon väliin
- 5895314-01 - Numero 50 kuvassa, asennetaan välikelan ja leikkuuyksikön väliin
- 5895617-01 - Numero 4 kuvassa, asennetaan vaihteistoon
- 5895622-01 - Numero 5 kuvassa, asennetaan moottorin & vaihteiston väliin

Finland - EU2
Italy - EUR
Denmark - DKK
Poland - PLN
Sweden - SEK
Germany - EUR
Spain - EUR
France - EUR






