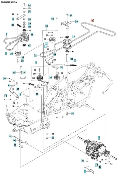
Paketissa on kaikki vöitä Husqvarna Rider 112C -klassisen ruohonleikkurin käyttöön - vöitä sopii vuosimalleihin, jotka ovat uudemmat kuin 2021. Paketti sisältää yhteensä neljä vöitä.
Paketin sisältö pätee vain vuoden 2021 tai uudempiin malleihin. Voit myös varmistaa, että tämä paketti sopii tarkistamalla tuotenumero, joka on 9671784-02.
Seuraavat voimansiirtovöitä sisältyvät pakettiin:
- 5895328-01 - Numero 32 kuvassa, asennetaan moottorin ja voimansiirtokohteen väliin
- 5895314-01 - Numero 50 kuvassa, asennetaan väliin tulevasta remmistä leikkuuyksikölle
- 5895617-01 - Numero 4 kuvassa, asennetaan vaihteistoon
- 5895631-01 - Numero 5 kuvassa, asennetaan moottorin ja vaihdelaatikon väliin

Denmark - DKK
Sweden - SEK
France - EUR
Italy - EUR
Poland - PLN
Finland - EU2
Germany - EUR
Spain - EUR






